NAVIGATION
LATEST NEWS
CONTACT US
- Add: Room 802,Singga Commercial Centre,148 Connaught Road West, HongKong
- Tel: (00852) 2805 1465
- Fax: (00852) 2545 1548
- Email: marketing@alysia.com.hk
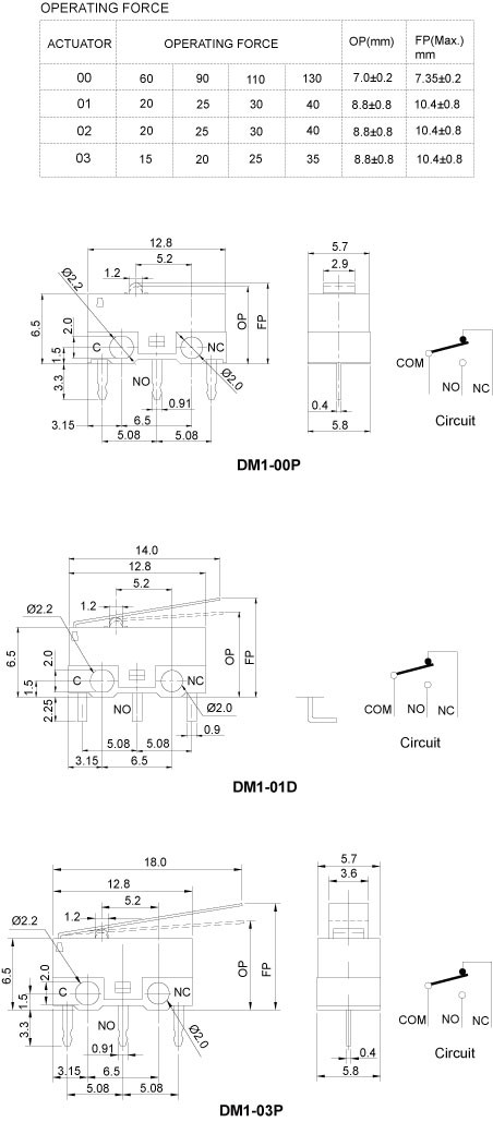
DM Series
- Product description: Rating 1A or 3A Subminiature snap action switches up to 3A 125VAC SPDT
Product introduction
|
Feature: |
|||
|
|||
|




