NAVIGATION
LATEST NEWS
CONTACT US
- Add: Room 802,Singga Commercial Centre,148 Connaught Road West, HongKong
- Tel: (00852) 2805 1465
- Fax: (00852) 2545 1548
- Email: marketing@alysia.com.hk
Your position: Home > Rocker Switch
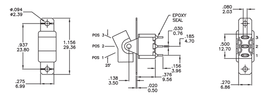
Rocker Switch-3M Series
- Product description: Contact Rating: Dependent upon contact material. Mechanical Life: 40,000 make – and – break cycles. Contact Resistance: 10mΩ max .initial @ 2-4VDC 100mA for both silver and gold plated contacts.
Product introduction
Rocker switch_3M SeriesSpecification:
Contact Rating: Dependent upon contact material.
Mechanical Life: 40,000 make – and – break cycles.
Contact Resistance: 10mΩ max .initial @ 2-4VDC 100mA for both silver and gold plated contacts.
Insulation Resistance: 1,000MΩ min.
Dielectric Strength: 1,000V RMS min@sea level.
Operating Temperature: -30℃ to 85℃.
Materials
Case: Diallyl phthalate(DAP) (UL94V-0).
Actuator: Nylon, black std.
Bushing: Brass or zinc, nickel plated.
Housing: Stainless steel.
Switch Support: Brass tin plated.
Contacts/Terminals: Brass with Silver or gold plated

PREVIOUS:Rocker Switch-4A Series
NEXT:Breaker -M1




