NAVIGATION
LATEST NEWS
CONTACT US
- Add: Room 802,Singga Commercial Centre,148 Connaught Road West, HongKong
- Tel: (00852) 2805 1465
- Fax: (00852) 2545 1548
- Email: marketing@alysia.com.hk
Your position: Home > Rocker Switch
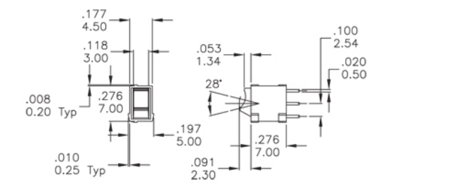
Rocker Switch-4U Series
- Product description: Rating:0.4 VA max.@20VAC or DC max Sub-Miniature Rocker Switches
Product introduction
Rocker switch_4U SeriesRating:0.4 VA max.@20VAC or DC max
Sub-Miniature Rocker Switches
Specification:
Contact Rating: 0.4 VA max.@ 20VAC or DC max.
Mechanical Life: 50,000 make – and – break cycles.
Contact Resistance: 100 mΩ typ .initial @ 2-4VDC 100mA.
Insulation Resistance: DC500V 500MΩ.
Dielectric Strength: 500V RMS Min .@ sea level.
Operating Temperature: -30℃ to 85℃.
Materials
Case Housing: Glass filled nylon 6/6, flame retardant,heat stabilized (UL94V-0).
Actuator: Nylon, black std.
Switch Support: Brass or steel, tin plated.
Contacts/Terminals: silver or gold plated copper alloy.
4U产品尺寸

PREVIOUS:MR2-R
NEXT:Rocker Switch-4M Series




