栏目导航
新聞中心
聯系我們
- 地址:Room 802,Singga Commercial Centre,148 Connaught Road West, HongKong
- 電話:(00852) 2805 1465
- 傳真:(00852) 2545 1548
- 郵箱:marketing@alysia.com.hk
您现在的位置:網站首頁 > 微动开关
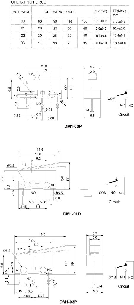
DM Series
- 產品描述:Rating 1A or 3A Subminiature snap action switches up to 3A 125VAC SPDT
產品介紹
|
Feature: |
|||
|
|||
|







